
SKF W6205-2RS1軸承工業(yè)配套用戶請注意:批量采購SKF W6205-2RS1軸承,請至少提前一周與我們聯(lián)系,長期批量采購請?zhí)峁┠甓炔少徲媱�,我們將十分感謝您的預見性,我們將提供極為優(yōu)惠的價格以保障您的權益。
型號:W6205-2RS1
品牌:SKF
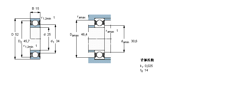
內徑:25
外徑:52
厚度:15
系列:深溝球軸承, 單列,不銹鋼, 兩面密封件
【
手機版 W6205-2RS1軸承
點擊量
更新日期:2021/12/28
】
電話:020-36026999 傳真:020-36705678 服務熱線:18924187999 郵箱:[email protected]
| 深溝球軸承, 單列,不銹鋼, 兩面密封件 | ||||||||||
| 公差 , 參見文字 | ||||||||||
| 徑向內部游隙 , 參見文字 | ||||||||||
| 推薦配合 | ||||||||||
| 軸和軸承座公差 | ||||||||||
|
|
||||||||||
| 主要數據尺寸 | 基本負荷額定值 | 疲勞負荷限值 | 額定速度 | 體積 | 型號 | |||||
| 動態(tài) | 靜態(tài) | 參照速度 | 限制速度 | |||||||
| d | D | B | C | C0 | Pu | |||||
|
|
||||||||||
| mm | kN | kN | r/min | kg | - | |||||
|
|
||||||||||
| 25 | 52 | 15 | 11,9 | 7,65 | 0,335 | - | 8500 | 0,13 | W 6205-2RS1 | |
7013CD/P4A軸承 7326B軸承 7302DF軸承 HF0812軸承 3215軸承 33206+T2DE030軸承 K42368-42584軸承 CRY64VR軸承 22310EKH2310軸承 NUP344軸承 7218AC/DT軸承 32311U軸承 23056CC/W33軸承 Z-565669.ZL-K-C5軸承 6002-C-2Z軸承 23120-E1-K-TVPB+H3120軸承 6303NKE軸承 52322軸承 EC6202ZZ軸承 NJ204ET+HJ204E軸承